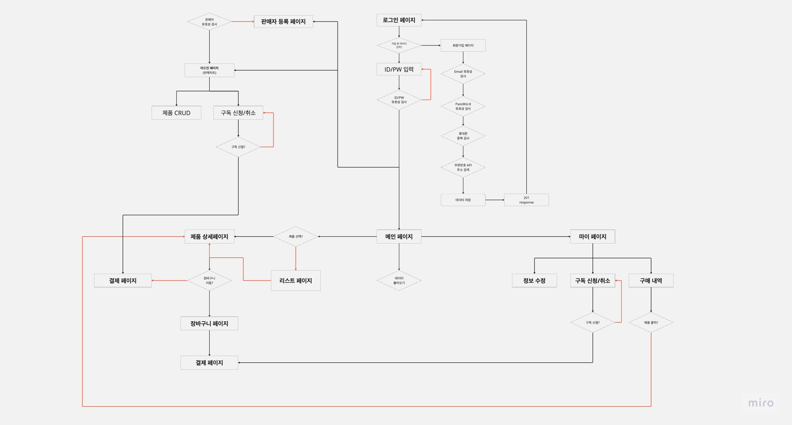
프+ 백 모여서 user flow를 그림
[구매자 프로세스]
메인페이지를 로그인 페이지로 하는
-> 인덱스
첫 페이지는 로그인 페이지로.
로그인하고 나서, 메인 페이지로 가는 거로.
<유효성 검사> 백 - 프 통일
[회원가입]
유저 입장에서 이메일 vs 아이디 어떤 거로 가입하는 게 좋은지? -> 이메일 로
- 이메일 중복 검사
- 휴대폰 중복 검사
- 패스워드 조건 검사
- (선택) 아이디 자동 저장 기능
[로그인]
- 아이디, 비밀번호 유효성 검사/ 중복확인
백: 데이터베이스 검증 까지 하고
프: @, 특수문자 검증
alert 띄우는 거
[메인 페이지] 자기 속한 지역에 해당하는 광고, 배너 불러오기로
- 광고 배너
- 카테고리별 슬라이딩 되는 밴드로 (프론트가 ui가 편해짐- 공수형으로 하면, 배너 하나를 하면 TDD가 끝나니)
-> 모바일 3개, 웹 5개로
- 좌측 이벤트 배너
- (선택) weekly 베스트 상품 -> best 기준을 '별점'으로 해서, 리뷰마다 별점을 매겨서, 리뷰 별점 순으로 12개 (sort best) - query string으로
데이터 관리 - 구매자, 판매자
구매자, 판매자 ui가 다름
- 목록페이지 = 메인 페이지
(백엔드가 '목록페이지'로 api 드리면, 프론트에서 알아서 5개씩 잘라서 배너로 만들어주신다고)
> 카테고리별 배너 일수도, 00마켓의 배너일 수도.
vip 멤버는 00마켓관으로 하고,
하단은 00 카테고리관으로 하고

--> 더보기 누를 경우, 아래와 같이 각 00 카테고리 / 00 상품관 전체 목록 나오게
>> 페이지 네이션은 해드려야 함

- 상세페이지
(선택) 찜하기 기능 -> 마이페이지에서도 필요함 -> 상품 좋아요, 마켓 좋아요
- 마이페이지 -> 판매자 마이페이지, 구매자 마이페이지
로그인을 하면 상품목록창 보이는 메인페이지로 바로 가게,
판매자 id = 구매자 id (pk, fk는 다름)
구매자, 판매자 테이블 각각
(구매자가 판매자를 하고 싶으면, nickname 같은게 추가 되게 )
[메인 페이지 - 데이터] 목록형 list
광고형 큰 배너 - 돈 많이
광고형 배너 (좌측) - 돈 조금
밴드 (카테고리 상품) -->
[구매자 입장:]
메인페이지 제품 목록에서 -> 제품 상세페이지
두가지 기입 가능 (각자 많이 썼던 제품에 따라)
1) 상품명
밑에 마켓명 (쿠팡처럼)
2) 마켓명 - 상품명
- 상품명
- 업체/상호명
- (선택) 거리가 얼마나 떨어져 있는지
- 프리미엄 전용관 (돈 많이 낸 판매자) : 배너니까 그게 그거 (프리미엄 판매자 광고관)
[상세페이지]
- 리뷰 : list만 (이미지- 상품 리스트처럼)
[상세페이지] -> [장바구니]
장바구니 페이지 : 00 마켓, 몇 개 수량 (배민처럼 같은 상호에서만 가능하지 않도록, 다 담게)
[장바구니]- > [결제]
[마이페이지]
{구매자 마이페이지}: 아이디 변경, 주소 / 휴대폰번호 주소/ 상품정보/ 결제정보, 주문내역 (수령 여부: order table에 status 보내주는)
택배는 수령여부 체크 안하는데,
거점에서 방문수령은 수령 확인한 뒤, 판매자에게 돈 주는거로
{판매자 마이페이지}
-> 변경 불가능: 아이디는 이메일이고, 이메일 수정은 불가능,
-> 정보 수정: 주소지(주소 변경하게 해야 함, 다른 메인으로 다른 값 불러오는거라)/ 휴대폰 번호 변경 , 주문내역, 프리미엄 구독서비스 여부
구매자/ 판매자 테이블은 각각 -> 정보 수정을 위해
구매자 프리미엄 구독서비스 여부 확인 -> 배송 무료 가능한지 때문에
-> 구독 신청/취소 어떻게 할지 ( 홈쇼핑도 전화로 취소 하는데..?)
- 구독 신청 누르면 -> 주문 페이지 이동 -> 앱 구독 결제 페이지 (애플뮤직, 앱스토어, 넷플릭스 결제처럼)
- 만료일로부터 계산해서 구독 권한 유지 (백엔드가 보내주는 계산해주는 날짜 기반으로)
장바구나> 주문> 결제 flow로
[판매자 등록 페이지]
--> header에서 버튼 누르면, 유효성 검사 (판매자 등록했으면 admin 마이페이지 접근/ error 시 판매자 등록페이지)
- 판매자 유효성 검사 (판매자 id & 토큰)-> 내가 판매 가능한 사람인지
- 마켓 등록(수정, 삭제는 고객센터) 후, 상품 CRUD 등록/수정/삭제/목록, 프리미엄 구독 여부 // 리뷰 관리 빼기로 ( 물 관리 스스로 하면 안 되니)
(구매자를 디폴트, 판매자를 T/F : 판매자가 되고 싶으면, 무조건 구매자가 돼야 하는 거)
- 판매자 등록을 이미 한 사람이, 판매자 마이페이지 (=admin페이지로)
- 상품: 카테고리 설정 -> 하나 선택 or 치크포인트 관심사 선택처럼

[판매자 마이페이지(admin 관리자 페이지)]
--> 매출 내역만 나오게
--> 카테고리에 늘 위에 있는 header에 gmb처럼 맨날 우측 header 바에 떠 있게 (global) 로
메인 페이지에서
-> 판매자 등록페이지 & 판매자 마이페이지(admin 페이지)
<상단 카테고리 헤더>
메인페이지 | 마이페이지 | 판매자 등록 페이지(내 가게로 가기 (admin) )


'Wecode - Project 3 (부트캠프) > Project 3 과정' 카테고리의 다른 글
| Project 3: sprint 1주-1일차- erd modeling - 관계도 (0) | 2023.10.10 |
|---|---|
| Project 3: sprint 1주- 2일차- standing meeting 및 erd modeling (0) | 2023.10.10 |
| Project 3: sprint 1주-1일차 - PET 분석 (0) | 2023.10.09 |
| Project3: sprint 1주 -1일차- Business Modeling (0) | 2023.10.09 |
| Project 3: 정한 시나리오로 혼자 해보는 기능 분석 (0) | 2023.10.09 |